Pins
Clevis pins
|
Mode |
Tool |
Tool set |
|
Modes for The Symbol Insertion tool |
|
Fasteners |
Multiple clevis pin tools share the same position on the tool set. Click and hold the mouse on the visible tool to open the Pop-out tools list and select the desired tool.
To insert a clevis pin:
Click the tool and mode.
Click to place the object, and click again to set the rotation. The first time you use the tool in a file, a properties dialog box opens. Set the default parameters. The parameters can be edited later from the Object Info palette.

Click to show/hide the parameters.Click to show/hide the parameters.
|
Parameter |
Description |
|
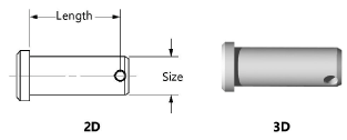
Size |
Select the clevis pin size |
|
Use Standard Length (inch only) |
Automatically adjusts the length to the recommended standard length per ASME standards; deselect to enter a custom length value |
|
Pin Type (metric and DIN only) |
Specify the pin type for metric and DIN clevis pins
|
|
Length |
For a custom length value, deselect Use Standard Length (inch) or Use Standard Length Increments (metric and DIN) and enter the desired length |
|
Head Style |
Select the head style
|
|
View (2D only) |
Select the 2D view
|
|
Show Center Line (2D only) |
Draws the clevis pin with center line(s) |
|
Use Standard Length Increments (metric and DIN only) |
Automatically adjusts the length to the nearest increment based on standard sizes; deselect to enter a custom length |