轴台轴承
|
模式 |
工具 |
工作空间:工具集 |
|
用于符号插入工具的模式 |
轴台
|
Architect 和 Spotlight:机器组件 Landmark:将工具添加到工作空间 |
轴台轴承工具和轴台轴承 - 三维工具在工具集上共享相同的位置。在可见工具上单击并按住鼠标以打开弹出工具列表并选择所需的工具。
要插入轴台轴承:
单击“工具和模式”。
单击以放置对象,然后再次单击以设置旋转。第一次在文件中使用该工具时,“特性”对话框出现。设置默认参数。可以稍后从“对象信息”面板编辑参数。

|
参数 |
说明 |
|
大小 |
选择一种通用轴台轴承大小;关联的参数值将会显示在“对象信息”面板中 |
|
使用自定义尺寸 |
应用自定义参数修改 |
|
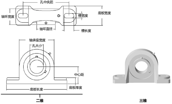
孔大小 |
指定孔径 |
|
中心距 |
指定从孔中心到底板底部之间的长度 |
|
轴承座宽度 |
输入轴承座宽度 |
|
底板长度 |
指定底板长度 |
|
底板厚度 |
指定底板厚度 |
|
孔中心距离 |
指定孔心间的距离 |
|
槽宽度 |
指定槽的宽度 |
|
槽长度 |
指定槽的长度 |
|
底板宽度 |
指定底板的宽度 |
|
轴环宽度 |
输入轴环的宽度 |
|
轴环直径 |
输入轴环的直径 |
|
紧定螺钉大小 |
指定紧定螺钉的大小 |
|
视图 (仅二维) |
选择二维视图
|
|
显示紧定螺钉 |
显示紧定螺钉
|
|
显示润滑油嘴 |
显示润滑油嘴
|
|
显示中心线和隐藏线 (仅二维) |
绘制带中心线和隐藏线的二维轴承 |

