Concepto: Concepto: Diagramas esquemáticos de energía
Nivel de dificultad: Avanzado
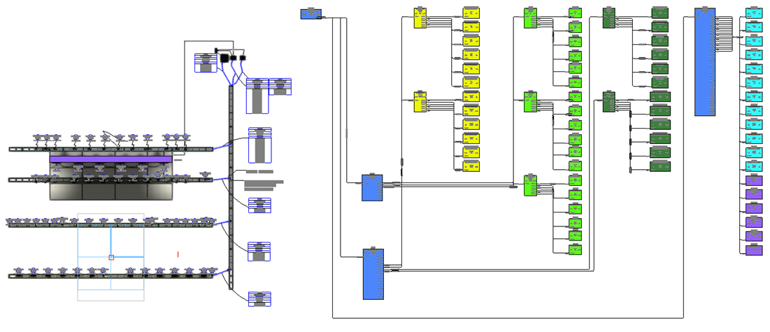
Un diagrama esquemático consiste en una vista esquemática de todos los objetos en un plano de luces que participan en cálculos de energía. Las vistas del plano de luces y diagrama esquemático de energía muestran los mismos objetos, pero de diferentes maneras. Planos de luces son dibujos a escala del mundo físico. Diagramas esquemáticos, en cambio, son dispuestos para ilustrar el flujo de señales. Esta característica combina la experiencia del plano de luces de Spotlight con las capacidades del diagrama esquemático de ConnectCAD.
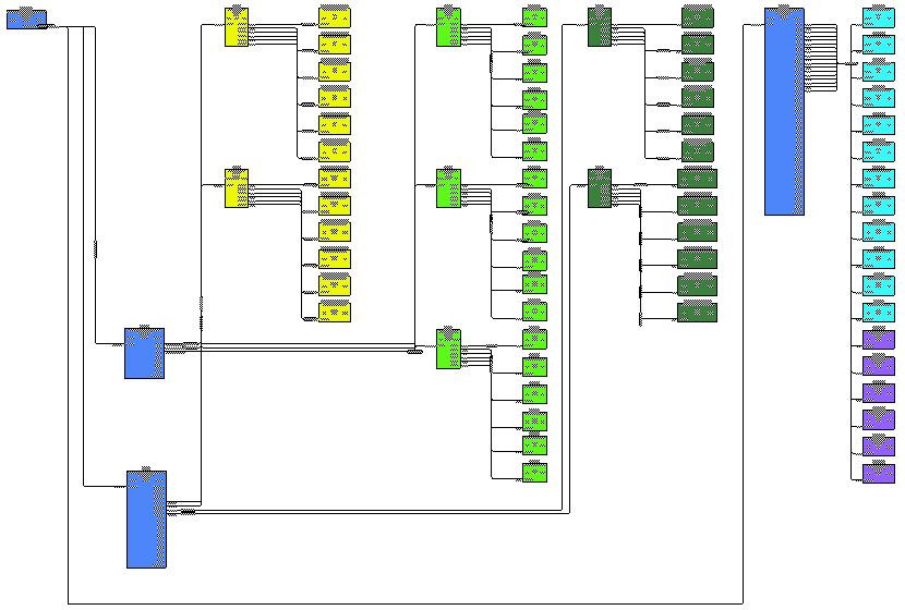
El diagrama esquemático muestra un flujo de señal de izquierda a derecha, con dispositivos en el mismo nivel jerárquico presentados en columnas. Dispositivos están dispuestos para minimizar el número de circuitos que se cruzan sobre sí mismos.

Plano de luces (izquierda) y diagrama esquemático de energía (derecha)
El comando Crear diagrama esquemático produce un diagrama esquemático de energía desde el plano de luces. El comando:
Busca capas seleccionadas para objetos que participan en cálculos de energía
Detecta las luminarias y los distribuidores de Spotlight
Crea dispositivos esquemáticos para las luminarias y los distribuidores en la capa especificada
Agrega tomas de corriente a los dispositivos. El número de tomas de corriente agregado se basa en los puertos distribuidores disponibles. Tomas de corriente son nombradas según convenciones de Spotlight.
Agrega circuitos para conectar los dispositivos si las luminarias y los distribuidores ya han sido conectados a energía, o están conectados por cables. Circuitos son asociados con cables en el plano de luces.
Crea una asociación entre las luminarias y los distribuidores en el plano de luces y los dispositivos en el diagrama esquemático. Luminarias que están conectadas en una configuración en modo en cadena se presentan con enchufes para conexión en bucle en el diagrama esquemático; el consumo eléctrico de todas las luminarias conectadas en modo en cadena es sumado al distribuidor.
El comando también puede actualizar un diagrama esquemático de energía existente, y renovar los valores de energía calculados. Si dispositivos o circuitos ya existen, el comando no los duplica.
Registros de energía desde luminarias y distribuidores son adjuntados a sus diagramas esquemáticos asociados para rastrear el flujo de señal (consulte Conectar el sistema eléctrico). Texto vinculado (consulte Vincular texto a formatos de registro) en los dispositivos muestra los valores de los campos de registro de energía.
Si luminarias, distribuidores y cables en el plano de luces son editados, los dispositivos y circuitos asociados en el diagrama esquemático son actualizados. De manera similar, si dispositivos y circuitos son editados en el diagrama esquemático, las luminarias, distribuidores y cables asociados en el plano de luces son actualizados. Preferencias de cable de Spotlight (consulte Configurar preferencias de cable) controlan si cables son agregados automáticamente al plano de luces.
Si un cable o una conexión es eliminado desde el plano de luces, una polilínea de revisión indicando la eliminación reemplaza el circuito en el diagrama esquemático. De manera similar, si un circuito es quitado desde el diagrama esquemático, una polilínea reemplaza el cable en el plano de luces. Para quitar revisiones, seleccione el comando Borrar revisión (consulte Borrar revisión de dibujo).
El comando Crear informe puede crear muchos tipos de hojas de cálculo e inventarios para informar sobre el consumo de energía. Actualice las hojas de cálculo de energía después de seleccionar el comando Diagrama esquemático de energía. Visualización de datos también puede ser usada para verificar la presencia de errores como circuitos sobrecargados.
Especificar configuraciones de diagrama esquemático
|
Comando |
Espacio de trabajo: Ruta de acceso |
|
Configuraciones de diagrama esquemático |
Design Suite: Entretenimiento > Planificación de cables/energía Spotlight: Spotlight > Planificación de cables/energía ConnectCAD: Diseño |
Antes de crear el diagrama esquemático de energía, configure las configuraciones de diagrama esquemático de energía predeterminadas. Las configuraciones son aplicables al archivo actual.
Para especificar las configuraciones de diagrama esquemático:
Seleccione el comando.
Se abre el cuadro de diálogo Configuraciones de diagramas esquemático de energía.
Haga clic en el panel Configuraciones generales para configurar parámetros predeterminados generales.
Haga clic para mostrar/ocultar los parámetros.Haga clic para mostrar/ocultar los parámetros.
|
Parámetro |
Descripción |
|
Cuadrícula de objetos de diagrama esquemático |
Controla el tamaño inicial de los objetos en el diagrama esquemático |
|
Simétrico |
Restringe la configuración Y para que sea igual a la configuración X, resultando en una cuadrícula simétrica |
|
Cuadrícula X / Cuadrícula Y |
Configura las cotas de cuadrícula en las direcciones X e Y; la configuración del eje Y es agrisado si Simétrico es seleccionado. |
|
Unidades de dispositivo |
|
|
Energía |
Especifique vatios o kilovatios para requerimientos de energía de dispositivo |
|
Peso |
Seleccione las unidades para medidas de peso (use kilogramos para mejores resultados) |
Haga clic en el panel Longitud de cable. La lista de longitudes de cable predeterminadas para circuitos puede ser modificada; seleccione la Longitud de cable desde la paleta Información del objeto de un circuito seleccionado.
Haga clic para mostrar/ocultar los parámetros.Haga clic para mostrar/ocultar los parámetros.
|
Parámetro |
Descripción |
|
Lista Longitudes de cable |
Enumera las longitudes de cable disponibles. Edite cualquier entrada inline. |
|
Agregar |
Agrega una nueva longitud de cable a la lista; la nueva longitud de cable es guardada en la carpeta de usuario. Edite la línea para la nueva entrada inline ingresando la nueva longitud de cable deseada. |
|
Eliminar |
Quita la entrada seleccionada desde la lista |
|
Restablecer valores predeterminados |
Restablece las longitudes de cable predeterminadas |
Crear un diagrama esquemático de energía
|
Comando |
Espacio de trabajo: Ruta de acceso |
|
Crear diagrama esquemático de energía |
Design Suite: Entretenimiento > Planificación de cables/energía Spotlight: Spotlight > Planificación de cables/energía ConnectCAD: ConnectCAD > Diseño |
Este comando crea un diagrama esquemático de energía en base a las luminarias y los distribuidores en las capas seleccionadas. El comando también actualiza un diagrama esquemático de energía existente, y renueva los valores de energía calculados.
El comando también puede actualizar un diagrama esquemático de energía existente y valores de energía calculados. Si dispositivos o circuitos ya existen, el comando no los duplica.
Las luminarias en el diagrama esquemático son automáticamente conectadas si las luminarias y los distribuidores ya han sido conectados a energía, o están conectados por cables. Consulte Conectar el sistema eléctrico.
Los objetos también pueden ser conectados más adelante. Circuitos son automáticamente creados en el diagrama esquemático, o cables son agregados al plano de luces, a medida que ocurre la conexión. La opción Crear cables automáticamente cuando dispositivos son conectados debe estar seleccionada en el cuadro de diálogo Preferencias de cable; consulte Configurar preferencias de cable.
Seleccione el comando Conectar objetos elegidos para conectar luminarias seleccionadas; circuitos son automáticamente creados para los dispositivos asociados en la capa del diagrama esquemático. (Consulte Conectar a energía por comando.)
Seleccione el comando Conexión seleccionada para conectar dispositivos seleccionados (o dibuje circuitos con la herramienta Conectar), para automáticamente dibujar cables y conectar a energía los objetos asociados en el plano de luces. (Consulte Conectar circuitos automáticamente.)
Para crear un diagrama esquemático:
Seleccione el comando.
Se abre el cuadro de diálogo Crear diagrama esquemático de energía.
Haga clic para mostrar/ocultar los parámetros.Haga clic para mostrar/ocultar los parámetros.
|
Parámetro |
Descripción |
|
Lista Capas |
Seleccione las capas con luminarias y distribuidores a usar como la base del diagrama esquemático de energía. Una marca de verificación en la columna Usar indica que la capa será incluida. |
|
Escoger todas las capas/Deseleccionar todas las capas |
Seleccione todas las capas o anule la selección de todas las capas |
|
Capa de destino |
Indica la capa donde crear el diagrama esquemático de energía |
Un dispositivo de ConnectCAD es creado para cada objeto de luminaria y distribuidor único, y colocado en la capa especificada. (Consulte Colocar un dispositivo o símbolo de dispositivo básico.)
Si es necesario, ajuste la ubicación de los dispositivos en el diagrama esquemático.

Mostrar objetos de Spotlight asociados con dispositivos
Para presentar el objeto de Spotlight asociado con un dispositivo de diagrama esquemático:
Seleccione el dispositivo de diagrama esquemático.
Desde la paleta Información del objeto, haga clic en la Mostrar objeto de Spotlight.
La vista se cambia a la capa de plano de luces si es necesario, se acerca al objeto y lo selecciona.
