Flujo de trabajo: Enrutamiento de cable con ConnectCAD
Nivel de dificultad: Intermedio
La integración de un diseño de sistemas esquemático con el modelo del edificio físico avanza en múltiples etapas.

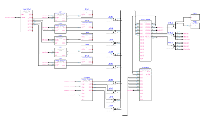
Diagrama esquemático
Usando las herramientas en la paleta Diagramas esquemáticos, disponga los componentes principales del sistema, las conexiones requeridas entre ellos, y los tipos de cable requeridos para las conexiones. Solo las conexiones lógicas y el cableado son diagramados en este punto, sin considerar la ubicación física real.

Disposición física
Este segmento del flujo de trabajo tiene tres componentes principales que pueden operar de manera independiente entre sí y sin ningún orden específico.
Ubicar equipos principales: Cree u obtenga, desde el arquitecto o planificador del proyecto, un plano de planta a escala o el modelo completo del edificio o recinto.
Coloque los equipos principales en el edificio usando las herramientas en el conjunto de herramientas Diseño de eventos y la herramienta Equipo.
Cree equipos automáticamente con el comando Crear equipos; todo dispositivo/equipo en el diagrama esquemático y las capas de diseño tendrá objetos de equipo creados correspondientes.
Coloque o arrastre un equipo en un objeto desde el conjunto de herramientas Diseño de eventos para identificarlo como equipo válido.
Arrastre los equipos a la ubicación y las capas correctas lugares en el plano de planta, en bastidores de equipos 3D y en el modelo.
Insertar puntos de caída: Un punto de caída es el extremo de un cable (donde el cable sale). Coloque puntos de caída en paredes, cielos y pisos, según sea aplicable.
Definir enrutamiento de cable 3D: Use la herramienta Cable tendido para dibujar las las redes de rutas de cable. Las rutas de cable representan las rutas físicas de conductos y tubos por donde cables son enrutados. El modo XY (horizontal) y el modo Z (vertical) permiten crear rutas de cable en la orientación y elevación correctas. Ramales adicionales (que se unen automáticamente y permanecen conectados) pueden ser agregadas a rutas de cable para crear redes de rutas.
Enrutamiento previo de cables en el modelo: Si el diseño del enrutamiento de cables debe comenzar mucho antes que los equipos son seleccionados y el diagrama esquemático está finalizado, use la herramienta Editar cableado para hacer un enrutamiento previo de los conductos para especificar puntos de caída con cables "de repuesto" y, más adelante, este enrutamiento previo es usado durante el diseño detallado para conectar los equipos que finalmente son elegidos.

Conexiones de cables
Una vez que la planificación física está prácticamente completa, las siguientes tareas pueden ser completadas en cualquier orden.
Conectar puntos de caída y equipos a red de ruta de cable: La herramienta Cable tendido asocia puntos de caída y equipos con la red de objetos de ruta de cable. En modo Inserción XY, defina una ruta de polilínea en la elevación de cable seleccionada; la herramienta se fija a puntos de caída, equipos y otras rutas de cable realizando cualquier ajuste de elevación necesario.
De manera opcional, equipos pueden conectar a puntos de caída; arrastre el controlador del equipo al punto de caída para hacer la conexión. Luego, conecte el punto de caída a la ruta de cable.
Múltiples equipos pueden ser conectados a una ruta de cable o punto de caída seleccionando todos los controladores de equipo con el modo Escalado interactivo ilimitado de la herramienta Selección activado. Arrastre los controladores hacia el punto de terminación.

Use el comando Analizar cables tendidos con la herramienta Editar cableado para ver la asignación de circuitos a los segmentos de la ruta de cable y, si es necesario, asígnelos a rutas alternativas.
Cálculos de longitudes de cable
El comando Calcular longitudes de cable verifica y calcula las conexiones de la red de cables. Determina los puntos de inicio y de fin de circuitos en toda la red de cables, e identifica errores.
Revisiones
Diagrama esquemático
A medida que se acerca el momento de la instalación, finalice la lista de equipos considerando, y sustituyendo donde corresponde, nuevas versiones de dispositivos y equipos, y dibuje o actualice las conexiones de circuitos. Actualice las disposiciones físicas y los requerimientos actualizando las ubicaciones de equipos, detalles de montaje y requerimientos eléctricos.
Transformar rutas de cable
Rutas de cable pueden ser actualizadas y remodeladas usando la herramienta Remodelar.
Mueva el vértice del controlador de un segmento de la ruta de cable y los otros segmentos seguirán conectados y serán remodelados en consecuencia.

Arrastre un segmento de la ruta de cable para remodelar la ruta
Si es necesario, arrastre el controlador del equipo a una ruta de cable o punto de caída nuevo/diferente para reasignar los equipos, o separe equipos desde la ruta de cable o punto de caída.

Mueva una designación de equipo desde la cámara a la izquierda a la cámara a la derecha
El vértice final de un ramal de ruta de cable puede ser seleccionado y remodelado conectando un punto de caída a otra parte de la red de la ruta de cable. La red agrega ramales automáticamente.
Análisis e informes
Asigne circuitos desde el diagrama esquemático a los segmentos de la ruta de cable usando el comando Analizar cables tendidos, y verifique todo segmento de ruta de cable para los circuitos que contiene con la herramienta Editar cableado.
Use los informes descritos en Crear informes de ConnectCAD para obtener las listas de cables/circuitos en la ruta de cable, longitudes de cable, etc.

Hojas de cálculo útiles adicionales se encuentran en [Vectorworks]\Bibliotecas\ConnectCAD\Muestras. Por ejemplo, Hoja de cálculo de muestra.vwx enumera las ID de punto de caída intermedias identificadores por las que pasan circuitos; esto ayuda al planificar instalaciones de cables.
El diámetro exterior de cable combinado con la longitud de cable calculada pueden dar una estimación de la capacidad requerida por un objeto de ruta de cable. Una vez que circuitos han sido asignados a los segmentos de la ruta de cable con el comando Analizar cables tendidos, use visualización de datos para crear un mapa de calor de capacidad para el diseño de la ruta de cable. Consulte Crear una nueva visualización de datos.
Crear vistas de modelo
Use viewports de capa de hoja con vistas Superior/Plano e isométrica de rutas de cable y equipos físicos para mostrar de manera explícita los tramos de cable requeridos a los contratistas que instalarán el sistema de confinamiento de cables o el cableado en sí. Tenga presente que las conexiones representadas en las vistas son rutas de cable y no cables individuales. Contenido de etiqueta de datos permite la fácil anotación de estos dibujos.

Crear de hojas de cableado y diagramas unifilares


ConnectCAD puede crear dos vistas adicionales del modelo automáticamente: hojas de cableado y diagramas unifilares para la instalación de conductos y enrutamiento de cables. Estas vistas del modelo son creadas como viewports de capa de hoja.
En la hoja de cableado, tramos de cable son indicados como arcos entre puntos de caída, “cuadrangulares” a ubicaciones nombradas. Los tramos son anotados con las cantidades y los tipos de cables para cada tramo.
Diagramas unifilares son mapas del sistema de ruta de cable completo. Muestran las rutas en pisos individuales y entre pisos. Rutas en un diagrama unifilar son típicamente anotadas por el diseñador con el tamaño y tipo de confinamiento de cable sugeridos (tubos, conductos y bandejas de cable, etc.).
![]()